當前位置:
首頁>
產品展示
>通風蝶閥系列
>D9Z41BW電動圓形百葉式調節蝶閥
D9Z41BW電動圓形百葉式調節蝶閥
所屬分類:通風蝶閥系列
D9Z41BW電動圓形百葉式調節蝶閥
- 質量穩定:實行全過程質量監控,細致入微,各方面檢測!
- 價格合理:You效內部成本控制,減少了開支,讓利于客戶!
- 交貨快捷:更好生產流水線,充足的備貨,縮短了交貨期!
- 銷售:13706662098
詳情介紹
用途
圓體百葉蝶閥與電動執行機構配套廣泛應用于建材、冶金、礦山、電力等生產過程,自動控制或手動控制調節管路中的介質流量之用。
特點
蝶板采用百葉多軸體結構,流體均勻,電傳動,啟閉力矩省力均勻,動作靈敏,性能可靠。
主要技術參數
| 公稱壓力PN(MPa) | 0.005MPa |
| 適用溫度℃ | -30~350℃ |
| 適用介質 | 粉塵、含塵氣體 |
| 泄漏量 | ≤3% |
| 閥門啟閉時間 | ≈25秒second |
| 輸入信號(直流) | Ⅱ型0~10MA;Ⅲ型4~20MA |
| 輸入通道 | 3個 |
| 輸入電阻 | Ⅱ型220Ω;Ⅲ型250Ω |
| 電源電壓 | 220V+20V/-20V;50HZ |
| 介質流速 | ≤25m/s |

主要零部件材料
| 名稱 | 閥體 | 百葉板 | 連桿 | 支架 | 曲柄 | 閥軸 |
| 材料 | 碳鋼 | 碳鋼 | 碳鋼 | WCB | 碳鋼 | 2Cr13 |
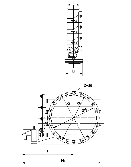
D9Z41bw—0.05JC連接尺寸
| DN | D1 | D | L | L1 | H1 | H | b | Z-Φd | 軸數 |
| 500 | 555 | 600 | 220 | 300 | 900 | 1270 | 8 | 20-18 | 3 |
| 600 | 655 | 700 | 220 | 300 | 950 | 1370 | 10 | 20-18 | 3 |
| 700 | 755 | 800 | 240 | 300 | 1000 | 1470 | 10 | 20-18 | 3 |
| 800 | 870 | 930 | 240 | 365 | 1120 | 1640 | 10 | 24-23 | 3 |
| 900 | 970 | 1030 | 260 | 365 | 1170 | 1740 | 12 | 24-23 | 3 |
| 1000 | 1070 | 1130 | 260 | 365 | 1220 | 1840 | 12 | 28-23 | 3 |
| 1120 | 1190 | 1250 | 280 | 420 | 1430 | 2110 | 12 | 28-23 | 3 |
| 1250 | 1320 | 1380 | 280 | 420 | 1495 | 2240 | 14 | 32-23 | 4 |
| 1400 | 1470 | 1530 | 300 | 420 | 1570 | 2390 | 14 | 36-23 | 4 |
| 1600 | 1670 | 1730 | 320 | 450 | 1745 | 2660 | 14 | 40-23 | 4 |
| 1800 | 1870 | 1930 | 340 | 450 | 1845 | 2860 | 16 | 44-23 | 4 |
| 2000 | 2070 | 2130 | 360 | 450 | 1945 | 3060 | 16 | 48-23 | 4 |
| 2240 | 2310 | 2370 | 380 | 480 | 2095 | 3330 | 18 | 48-23 | 4 |
| 2500 | 2570 | 2630 | 420 | 480 | 2225 | 3590 | 18 | 52-23 | 5 |
| 2800 | 2870 | 2930 | 440 | 480 | 2375 | 3890 | 18 | 60-23 | 5 |
| 3000 | 3070 | 3130 | 460 | 480 | 2475 | 4090 | 18 | 60-23 | 5 |
通風蝶閥相關文章
通風蝶閥的原理
- 通風蝶閥工作原理
- 通風蝶閥的基本原理
- 通風蝶閥廠家為您講解調節插板閥選型和原理
- 通風蝶閥的結構特點及基本原理結構的簡述
- 通風蝶閥的結構原理非常適合制作大口徑閥門
- 通風蝶閥的工作原理和結構特點
- 電動通風蝶閥與常規通風蝶閥工作原理的區別